خلاصه محصول
| | ||
| | ورودی DC/AC | |
| | طراحی تصفیه شده | |
| | MPPT | |
| پارامتریک | ||
| مدل | RVE35-S2-3G ~ RVE35-S2-4G |
| ولتاژ | ورودی 150VDC تا 450VDC یا 1 ورودی PH 220VAC | |
| دارای رتبه P (کیلووات) | 3/4 | |
| جریان نامی (A) | 13/16 | |
| MPPT Vmp/Voc | 310/372 | |
| ابعاد (میلی متر) | 265*105*164 | |
پس زمینه های کاربردی
| در سالهای اخیر، با افزایش شدت «مشکل غذایی» و «مشکل انرژی» جهانی، پمپهای آب خورشیدی بهتدریج بهعنوان محصولات ادغام صنعتی مؤثر برای حل مشکل افزایش بازده زمینهای زیر کشت مؤثر و جایگزینی انرژیهای فسیلی با انرژی پاک مورد استقبال قرار گرفتهاند. در نتیجه، یک مدل اقتصادی در حال ظهور متولد شد که در آن صنعت خورشیدی در ترکیب با صنایع سنتی مانند حفاظت از آب کشاورزی، کنترل بیابان، استفاده از آب خانگی و منظر آب شهری توسعه یافت. |
ویژگی های محصول
• ردیابی نقطه حداکثر توان (MPPT) با سرعت پاسخگویی سریع و عملکرد پایدار
• حفاظت از اجرای خشک (تحت بار).
• حفاظت از حداکثر جریان موتور
• حفاظت از برق ورودی
• حفاظت از فرکانس توقف پایین
• منحنی عملکرد PQ (قدرت/جریان) محاسبه جریان خروجی از پمپ را امکان پذیر می کند.
• کنترل دیجیتال برای عملکرد تمام اتوماتیک، ذخیره سازی داده ها و عملکردهای حفاظتی
• ماژول برق هوشمند (IPM) برای مدار اصلی
• صفحه نمایش LED و کنترل از راه دور
• ورودی منبع تغذیه AC و DC حالت دوگانه در دسترس است
• حسگر پروب کم آب و عملکرد کنترل سطح آب
• دمای محیط برای استفاده: -10 تا 50 درجه سانتی گراد.
| طراحی تصفیه شده کاهش 50 درصدی مساحت نصب کاهش 30 درصدی صدا | |
| | دستگاه پوشش رنگ تمام اتوماتیک سه پروف برای ضخیم کردن لایه محافظ برد مدار استفاده می شود و به طور موثر از آسیب برد مدار ناشی از گرد و غبار باد، گاز خورنده و هوای مرطوب جلوگیری می کند. |
| | استفاده از تجهیزات تشخیص تمام اتوماتیک برای آزمایش نشانگرهای الکتریکی مختلف و عملکردهای حفاظتی محصولات تحت بار نامی. |
| | تمام محصولات تکمیل شده به مدت 48 ساعت در دمای بالای 60 درجه کهنه می شوند و سپس تمام نشانگرهای الکتریکی تحت بار آزمایش می شوند تا میزان خرابی محصول کاهش یابد. |
نامگذاری مدل
سری S2 نوع عمومی:
ورودی Vmp 310VDC یا 220VAC، خروجی 1/3 فاز 0-220VAC
| مدل | فعلی دارای رتبه (A) | ولتاژ خروجی ( VAC ) | قابل استفاده برای پمپ قدرت (kW) | خارجی از اندازه درایو H*W*D (میلی متر) | MPPT Vmp/Voc |
| RVE35-S2-0R7G | 4 | 0-220 | 0.75 | 187*86*152 | 310/372 |
| RVE35-S2-1R5G | 7 | 0-220 | 1.5 | ||
| RVE35-S2-2R2G | 10 | 0-220 | 2.2 | ||
| RVE35-S2-3G | 13 | 0-220 | 3 | 265*105*164 | |
| RVE35-S2-4G | 16 | 0-220 | 4 |
سری T3 نوع عمومی:
Vmp540 تا 650VDC یا ورودی 380 تا 460VAC، خروجی 3 فاز 0-380/460VAC
| مدل | فعلی دارای رتبه (A) | ولتاژ خروجی ( VAC ) | قابل استفاده برای پمپ قدرت (kW) | خارجی از اندازه درایو H*W*D (میلی متر) | MPPT Vmp/Voc |
| RVE35-T3-0R7GB | 2.5/3.7 | 0-380/440 | 0.75 | 187*86*152 | 540/660 |
| RVE35-T3-1R5GB | 3.7/5 | 0-380/440 | 1.5 | ||
| RVE35-T3-2R2GB | 5/10 | 0-380/440 | 2.2 | ||
| RVE35-T3-4GB | 10/13 | 0-380/440 | 4.0 | ||
| RVE35-T3-5R5GB | 13/16 | 0-380/440 | 5.5 | 265*105*164 | |
| RVE35-T3-7R5GB (قاب پلاستیکی) | 16/25 | 0-380/440 | 7.5 | ||
| RVE35-T3-7R5GB (قاب آهنی) | 16/25 | 0-380/440 | 7.5 | 333*150*216 | |
| RVE35-T3-11GB | 25/32 | 0-380/440 | 11 | ||
| RVE35-T3-15GB | 32/38 | 0-380/440 | 15 | ||
| RVE35-T3-18 گیگابایت | 38/45 | 0-380/440 | 18 | 383*180*228 | |
| RVE35-T3-22GB | 45/60 | 0-380/440 | 22 | ||
| RVE35-T3-30GB | 60/75 | 0-380/440 | 30 | 435*175*265 | |
| RVE35-T3-37GB | 75/90 | 0-380/440 | 37 | ||
| RVE35-T3-45G | 90/110 | 0-380/440 | 45 | 670*265*358 | |
| RVE35-T3-55G | 110/150 | 0-380/440 | 55 | ||
| RVE35-T3-75G | 150/170 | 0-380/440 | 75 | ||
| RVE35-T3-90G | 170/210 | 0-380/440 | 90 | 845*305*358 | |
| RVE35-T3-110G | 210A/250 | 0-380/440 | 110 | ||
| RVE35-T3-132G | 250A/300 | 0-380/440 | 132 | ||
| RVE35-T3-160G | 300A/340 | 0-380/440 | 160 | 788*500*360 | |
| RVE35-T3-185G | 340/380 | 0-380/440 | 185 | ||
| RVE35-T3-200G | 380/415 | 0-380/440 | 200 | 900*540*358 | |
| RVE35-T3-220G | 415/470 | 0-380/440 | 220 | ||
| RVE35-T3-250G | 470/520 | 0-380/440 | 250 | ||
| RVE35-T3-280G | 520/600 | 0-380/440 | 280 | 1035*620*400 | |
| RVE35-T3-315G | 600/680 | 0-380/440 | 315 | ||
| RVE35-T3-355G | 680/750 | 0-380/440 | 355 | 1290*780*410 | |
| RVE35-T3-400G | 750/810 | 0-380/440 | 400 |
عملکرد عالی
| | کنترل برداری با عملکرد بالا برای بهبود دقت تجهیزات |
| حداکثر فرکانس خروجی تحت کنترل برداری به 1500 هرتز میرسد، که میتواند به خروجی سرعت با دقت بالا در محدوده تنظیم سرعت مغناطیسی ضعیف 1o برابری دست یابد. | |
| | |
| | درایو عالی برای موتورهای سنکرون |
| شکل موج کنونی موتور سنکرون در حالت کنترل برداری حلقه باز در 500 هرتز با بار نامی 100٪. | |
| | |
| | طراحی قابل اطمینان اتلاف حرارت |
| فناوری طراحی مجرای هوای دوگانه مستقل میتواند استفاده از درایو پمپ خورشیدی با دمای حلقه 50 درجه بدون کاهش ظرفیت را تحقق بخشد. |
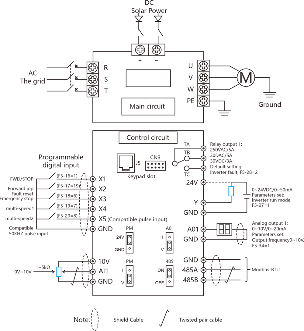
نمودار سیم کشی
برای محصولات RVE35 0.75kw-7.5kw، لطفاً به موارد زیر توجه کنید:
1. محصول دارای پایانه های ورودی منطقی X6 و X7 نیست.
2. محصول فقط شامل 1 ورودی آنالوگ، 1 خروجی آنالوگ و 1 خروجی رله است










































